マイクロスイッチの分野における Yueqing Tongda の古典的な傑作である Weipeng スマート ドア ロックおよびロボット掃除機トリプル リセット マイクロ スイッチは、「小型構造、超長寿命、正確なトリガー」という主要な利点を備えており、マウスやキーボードなどの人間とコンピュータの対話デバイスや小型の電子制御アプリケーション向けに特別に設計されています。
マイクロスイッチの紹介
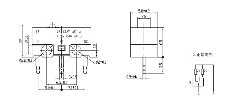
ミニチュア スイッチの分野における Yueqing Tongda の古典的な傑作である HK-10 マウス スイッチは、「小型構造、超長寿命、正確な作動」という核となる利点を備えており、特にマウスやキーボードなどの人間とコンピュータの対話デバイスや小型の電子制御アプリケーション向けに設計されています。 30年以上にわたるスイッチ製造の専門知識と特許技術を統合したこの製品は、ミリ秒レベルの応答速度、数千万サイクルの耐久性、幅広い互換性により、家庭用電化製品、産業用制御、スマートデバイスの主要な制御コンポーネントとなっています。長年にわたり、国内外の有名電子ブランドにサポート サービスを提供してきました。
スマート ウェアラブル デバイス、スマート ホーム コントロール パネル、ポータブル電子デバイスなどと互換性があります。コンパクトなデザインと低消費電力は小型デバイスのニーズを完全に満たし、スマートウォッチやスマート ドア ロックなどの製品に正確な制御サポートを提供します。
産業用タッチパネル、小型制御ボタン、オートメーション機器の微動制御などに使用されます。保護等級IP40により作業場の粉塵に耐性があり、幅広い温度性能が産業環境の温度変化に適応し、組立ライン制御や機器のデバッグなどのシナリオで安定した動作を保証します。
マイクロスイッチパラメータ(仕様)
| アイテム | 主な技術パラメータ |
| 1 | 電気定格:1A/3A 250VAC |
| 2 | 電気的寿命 : Min.10000 サイクル |
| 3 | 接触抵抗:<50mΩ |
| 4 | 操作力:70±20gf |
| 5 | フリーポジション:7.3±0.2mm |
| 6 | 動作位置:7.0±0.2mm |
| 7 | 周囲温度:T85° |
| 8 | 耐電圧:端子-端子間 500V/5S/5mA |
| 端子とケース間 1500/5S/5mA | |
| 9 | 絶縁抵抗:>100MΩ テスト電圧 500VDC |
| 10 | プルーフトラッキングインデックス PTI:175V |
マイクロスイッチの詳細
