プロのメーカーとして、Weipeng®は、防水マイクロスイッチの長寿命を提供したいと考えています。そして、私たちはあなたに最高のアフターセールサービスとタイムリーな配達を提供します。 4A 30VDC Submersible Micro Switchの詳細については、お気軽にお問い合わせください。
製品 特徴


製品 によるciple
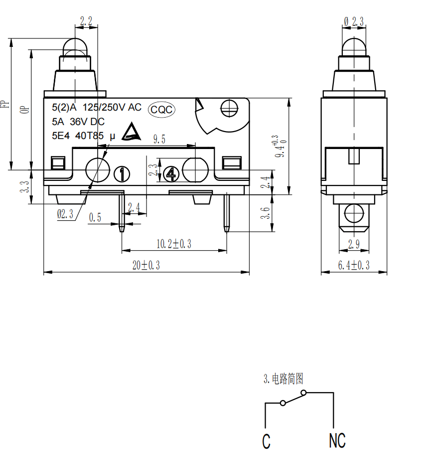
防水マイクロスイッチは、防水性能を備えた一種のマイクロスイッチであり、通常は湿ったものや水で動作します。防水マイクロスイッチは通常、防水材料で作られており、シーリング性能が良好で、水分がスイッチの内側に浸透するのを防ぐことができます。防水マイクロスイッチには、さまざまなコンパクトなアプリケーションシナリオに適した、サイズが小さく、敏感なトリガー力があります。防水マイクロスイッチは安定した電気性能を持ち、湿った環境で信頼できる接触および切断機能を維持できます。
製品 機能とapplicaの
自動車産業:防水マイクロスイッチは、車のワイパー、ドアスイッチ、その他の部品で使用でき、雨の日または洗浄時に正常に動作できます。
家電製品:防水マイクロスイッチは、洗濯機、食器洗い機、シャワー、その他の家電製品で使用して、湿度の高い環境での通常の操作を確保できます。
製品 のtails
