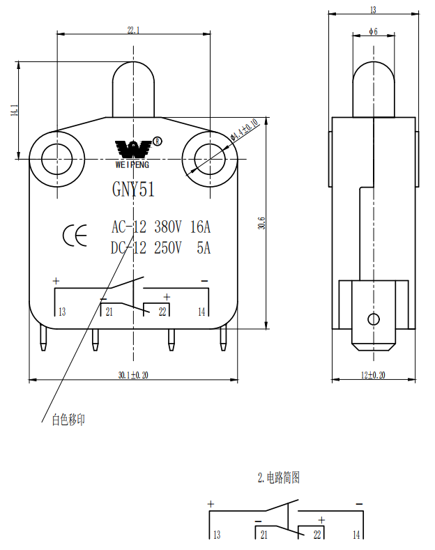
自動部品のプラグ列タイプボタンマイクロスイッチには、接触間隔が小さく、迅速なアクションメカニズムがあり、指定されたストロークと力で動作を切り替えるための接触メカニズムはシェルで覆われており、外側にトランスミッションがあり、形状は小さくなります。
製品 紹介uction
プッシュツープッシュマイクロスイッチは、回路のオンとオフの状態を制御するために使用される一般的な電子コンポーネントです。通常、ボタンが押されたときに状態を変更するボタンとスイッチで構成されています。
プッシュボタンスイッチは、ボタンを押すと点滅効果を使用できます。ボタンが点滅してユーザーの注意を引き付けます。
製品 アプリケ仕様と仕様
プラグ列タイプボタンマイクロスイッチを使用してライトを制御できます。ボタンを押すと、ライトがオンまたはオフになります。また、電気機器、エアコンなどのスイッチを制御するためにも使用できます。工業分野では、プッシュボタンスイッチは機械装置の開始と停止を制御するために広く使用されています。家庭、産業、自動車、または電子機器であれ、この単純な制御コンポーネントとは切り離せません。
| 技術的特性を切り替えます: | |||
| アイテム | 技術パラメーター | 価値 | |
| 1 | 電気評価 | 16A 250VAC | |
| 2 | 接触抵抗 | ≤50mΩの初期値 | |
| 3 | 絶縁抵抗 | ≥100mΩ(500VDC) | |
| 4 |
誘電 電圧 |
間 接続されていない端子 |
500V/0.5MA/60S |
| ターミナル間 そして金属フレーム |
1500V/0.5MA/60S | ||
| 5 | 電気寿命 | ≥50000サイクル | |
| 6 | 機械的な生活 | ≥100000サイクル | |
| 7 | 動作温度 | -25〜125℃ | |
| 8 | 動作周波数 | 電気:15サイクル 機械:60サイクル |
|
| 9 | 振動証明 | 振動周波数:10〜55Hz; 振幅:1.5mm; 3つの方向:1H |
|
| 10 | はんだ能力: 没入部品の80%以上 はんだで覆われます |
はんだ温度:235±5℃ 浸す時間:2〜3秒 |
|
| 11 | はんだ耐熱性 | 浸漬はんだ付け:260±5℃5±1秒 手動はんだ付け:300±5℃2〜3秒 |
|
| 12 | 安全承認 | ul、csa | |
| 13 | テスト条件 | 周囲温度:20±5℃ 相対湿度:65±5%RH 空気圧:86〜106kpa |
|
製品 詳細


