核となる標準化とカスタマイズの統合を体現する楽清通達電線電気工場の代表的な製品として、ジューサー、掃除機、プリンター、その他のデバイス用のマイクロスイッチは、「安定性、信頼性、シーン互換性」という核心原則に基づいて設計されています。これには、同社の 35 年にわたるスイッチ製造の専門知識が組み込まれており、電気的性能、保護レベル、ユーザー エクスペリエンスにおいて複数の最適化を実現しています。このスイッチは、スマート ホーム配電、産業用補助機器、小型医療機器などのシナリオに広く適用でき、汎用性とカスタマイズの可能性のバランスをとる好ましい回路制御コンポーネントとなっています。
マイクロスイッチ導入
以下は、バイヤーが製品の品質を評価するために理解する必要がある主要な製造ステップです。
1. コンポーネントの製造: 精密に機械加工された金属接点とスプリング。耐久性のあるケース(プラスチック/金属素材)。
2. 組み立て:性能に影響を与えないように、スプリング、接点、アクチュエータを正確に組み立てます。
3. テスト:信頼性を確保するための厳格なテスト(数千回のプレステスト、電気的導通テスト)。
4. 包装: 仕様を明確にラベル付けした、輸送を容易にする保護包装。
マイクロスイッチ応用
マイクロ スイッチは広く使用されており、性能の信頼性が高く、主に次の用途に適用されます。
- 家庭用電化製品: 冷蔵庫の照明、電子レンジのドアロック、洗濯機の蓋のスイッチ、トースターのタイマー。
・産業機器:ベルトコンベア、機械、制御盤などに適した重量級モデル(防塵・防湿)。
- 自動車分野: フロントガラスのワイパー、半ドアインジケーター - 振動や極端な温度に耐えることができます。
- 電子機器: リモコンやゲーム コントローラー用の小型スイッチ (応答性が高く、耐久性が高い)。
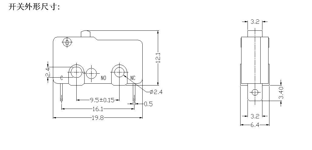
マイクロスイッチ 仕様
| スイッチの技術的特徴: | |||
| アイテム | 技術的パラメータ | 価値 | |
| 1 | 電気定格 | 5(2)A 125V/250VAC 10(3)125V/250VAC | |
| 2 | 接触抵抗 | ≤50mΩ 初期値 | |
| 3 | 絶縁抵抗 | ≥100MΩ (500VDC) | |
| 4 |
誘電 電圧 |
間 未接続端子 |
500V/0.5mA/60S |
| 端子間 そして金属フレーム |
1500V/0.5mA/60S | ||
| 5 | 電気的寿命 | ≥10000サイクル | |
| 6 | 機械的寿命 | ≥100000サイクル | |
| 7 | 動作温度 | -25~125℃ | |
| 8 | 動作周波数 | 電気:15サイクル 機械式:60サイクル |
|
| 9 | 防振 | 振動周波数:10~55HZ; 振幅:1.5mm; 3方向:1H |
|
| 10 | はんだ付け能力: 浸漬部80%以上 はんだで覆われます |
はんだ付け温度:235±5℃ 浸漬時間:2~3S |
|
| 11 | はんだ耐熱性 | ディップはんだ:260±5℃ 5±1S 手はんだ:300±5℃ 2~3S |
|
| 12 | 安全性の承認 | UL、CSA、VDE、ENEC、CE | |
| 13 | 試験条件 | 周囲温度:20±5℃ 相対湿度:65±5%RH 空気圧 : 86~106KPa |
|
通達電線電気 マイクロUSBインライン電源スイッチ 詳細


