楽清通達ケーブル発電所の汎用シナリオ向け製品の定番シリーズとして、液化ガス給湯器水式点火スイッチシリーズスイッチは「高い安定性、幅広い互換性、高い費用対効果」を重視して設計されています。同社の 35 年にわたるスイッチ製造経験を統合したこのシリーズは、ロッカーとプッシュボタンという 2 つの主要なトリガー タイプをカバーしています。スマートホーム、商用機器、小型産業機器など、複数の分野にわたる回路制御のニーズに適しています。バランスのとれたパフォーマンスと信頼性の高い品質により、さまざまな業界の汎用スイッチとして推奨されています。
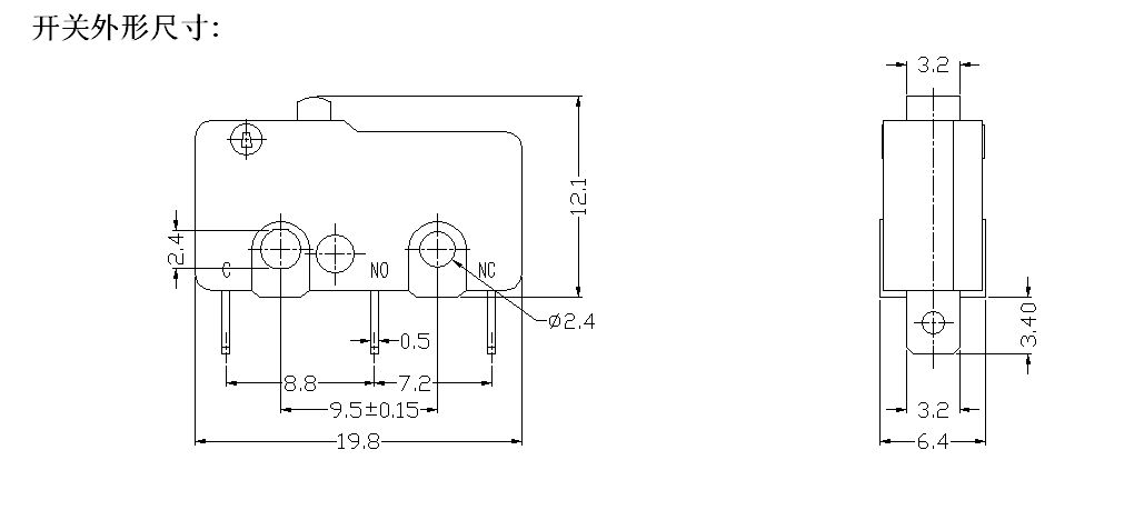
マイクロスイッチ導入
HK-04G シリーズ スイッチは、楽清通達ケーブル発電所の汎用シナリオ向け製品のクラシック シリーズとして、「高い安定性、幅広い互換性、高い費用対効果」を重視して設計されています。同社の 35 年にわたるスイッチ製造経験を統合したこのシリーズは、ロッカーとプッシュボタンという 2 つの主要なトリガー タイプをカバーしています。スマートホーム、商用機器、小型産業機器など、複数の分野にわたる回路制御のニーズに適しています。バランスのとれたパフォーマンスと信頼性の高い品質により、さまざまな業界の汎用スイッチとして推奨されています。
マイクロスイッチ応用
HK-04Gシリーズは、コンパクトなサイズ(長さ×幅×高さ約20×15×10mm)で、スマート配電ボックス、壁掛けスマートソケット、スマート照明コントロールパネルに簡単に組み込むことができ、現在、国内のいくつかのスマートホームブランドのサポートコンポーネントとなっています。たとえば、あるブランドのスマートソケットにこのシリーズのロッカースイッチが搭載されると、ユーザーはそれを押すだけで電源を素早くオン/オフできるようになります。 APPリモートコントロールと組み合わせることで、「ローカルとリモート」のデュアルコントロールモードを実現し、従来のスイッチと比較して製品の故障率を40%削減し、ユーザーエクスペリエンスを向上させます。
業務用機器:業務用コーヒーマシン、レジ、プリンターなどの電源制御に対応し、端子接続構造の最適化により素早い配線施工をサポートします。某チェーンコーヒーショップで一括使用したところ、装置の組立効率が25%向上し、長期使用時のスイッチ故障による装置停止の問題も発生しませんでした。
小規模産業: 小型コンベヤ装置および作業場照明用の回路制御。難燃性ハウジングと安定した電気的性能を備え、作業場での軽い粉塵環境に対応できます。某電子加工工場では18ヶ月使用しましたが、スイッチの性能劣化もなく、生産ラインの安定稼働を実現しました。
特定のシナリオでの個別のニーズを満たすために、HK-04G シリーズは柔軟なカスタマイズをサポートしています。
外観のカスタマイズ: さまざまなデバイスの筐体デザインに合わせて、色を黒、白、グレーから選択できます。ケーシングには会社のロゴやパラメータラベルを刻印して、ブランドの認知度を高めることができます。
機能のカスタマイズ: 赤/緑の単色 LED インジケータ (電圧は 5V/12V から選択可能) を追加できるため、回路ステータスに関する直感的なフィードバックが提供され、ユーザーはデバイスの電源が入っているかどうかを迅速に判断できます。
端子のカスタマイズ: さまざまなデバイスの配線スペースに合わせて、プラグイン (2.54 mm 間隔) 端子とはんだタイプ端子の両方をサポートします。カスタマイズサイクルはわずか 5 ~ 10 日で、サンプルは 48 時間以内に発送できます。
マイクロスイッチ 仕様
| スイッチの技術的特徴: | |||
| アイテム | 技術的パラメータ | 価値 | |
| 1 | 電気定格 | 5(2)A 125V/250VAC 10(3)125V/250VAC | |
| 2 | 接触抵抗 | ≤50mΩ 初期値 | |
| 3 | 絶縁抵抗 | ≥100MΩ (500VDC) | |
| 4 |
誘電 電圧 |
間 未接続端子 |
500V/0.5mA/60S |
| 端子間 そして金属フレーム |
1500V/0.5mA/60S | ||
| 5 | 電気的寿命 | ≥10000サイクル | |
| 6 | 機械的寿命 | ≥100000サイクル | |
| 7 | 動作温度 | -25~125℃ | |
| 8 | 動作周波数 | 電気:15サイクル 機械式:60サイクル |
|
| 9 | 防振 | 振動周波数:10~55HZ; 振幅:1.5mm; 3方向:1H |
|
| 10 | はんだ付け能力: 浸漬部80%以上 はんだで覆われます |
はんだ付け温度:235±5℃ 浸漬時間:2~3S |
|
| 11 | はんだ耐熱性 | ディップはんだ:260±5℃ 5±1S 手はんだ:300±5℃ 2~3S |
|
| 12 | 安全性の承認 | UL、CSA、VDE、ENEC、CE | |
| 13 | 試験条件 | 周囲温度:20±5℃ 相対湿度:65±5%RH 空気圧 : 86~106KPa |
|
通達電線電気 マイクロUSBインライン電源スイッチ 詳細

