HK-14 高温 16A 250V 電流マイクロ スイッチは、楽清同達電線電気工場のマイクロ スイッチ シリーズのベンチマーク モデルとして、「高感度、超長寿命、マルチシナリオ適応性」を主な利点として備えています。同社の 35 年にわたるスイッチ製造の専門知識を統合したこのスイッチは、最小の接点ギャップと迅速な動作メカニズムのおかげで、家電製品、自動車エレクトロニクス、産業オートメーション、およびその他の分野で重要な制御コンポーネントとなっています。そのパフォーマンスと信頼性は世界中の複数の権威機関によって認定されており、ニッチ市場での主流の地位を確保しています。
マイクロスイッチの紹介
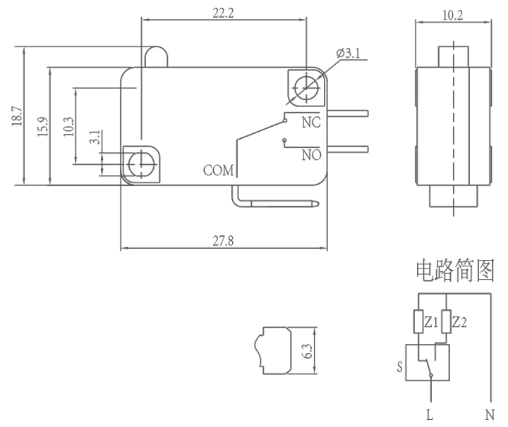
HK-14 シリーズは、差別化されたアプリケーションの要件を満たすための非常に柔軟なカスタマイズ オプションを提供します。操作力はカスタマイズ可能(レバーレス状態で5.0N以下、通常30±15gf)、操作ストローク範囲は0.6~1.5mmで、さまざまなトリガー力や変位シナリオに対応します。さまざまな機械式トランスミッション構造に合わせて、ストレートレバー、ベントレバー、ローラーレバーなどのレバースタイルをカスタマイズできます。接点タイプには SPDT (1NO+1NC)、NO、NC が含まれており、全範囲をカバーし、単一制御、インターロック、その他の回路設計のニーズに対応します。
インストールと使用のガイドライン
設置の際は、スイッチを平らな面に設置し、凹凸による誤動作やケースの損傷を防ぐため、平座金またはばね座金を使用して固定してください。環境に基づいてモデルを選択してください。湿気やほこりの多い条件では、保護を強化するために密閉されたカスタム バージョンを使用することをお勧めします。接点の固着、機能障害、さらには焼損を防ぐため、ボタンやアクチュエータに潤滑油を塗布しないでください。保管中は、製品を雨や雪から保護した乾燥した換気の良い場所に保管し、部品の劣化を引き起こす可能性のある高温や湿気を避けて、製品の本来の性能を維持してください。
マイクロスイッチパラメータ(仕様)
| スイッチの技術的特徴: | |||
| アイテム | 技術的パラメータ | 価値 | |
| 1 | 電気定格 | 5(2)A/10A/16(3)A/21(8)A 250VAC | |
| 2 | 接触抵抗 | ≦30mΩ 初期値 | |
| 3 | 絶縁抵抗 | ≧100MΩ(DC500V) | |
| 4 |
誘電 電圧 |
間 未接続端子 |
1000V/0.5mA/60S |
|
端子間 そして金属フレーム |
3000V/0.5mA/60S | ||
| 5 | 電気的寿命 | ≧50000サイクル | |
| 6 | 機械的寿命 | ≥1000000サイクル | |
| 7 | 動作温度 | -25~125℃ | |
| 8 | 動作周波数 |
電気 :15 サイクル 機械式:60サイクル |
|
| 9 | 防振 |
振動周波数: 10~55HZ; 振幅:1.5mm; 3方向:1H |
|
| 10 |
はんだ付け能力: 浸漬部80%以上 はんだで覆われます |
はんだ付け温度:235±5℃ 浸漬時間:2~3S |
|
| 11 | はんだ耐熱性 |
ディップはんだ:260±5℃ 5±1S 手はんだ:300±5℃ 2~3S |
|
| 12 | 安全性の承認 | UL、CSA、VDE、ENEC、TUV、CE、KC、CQC | |
| 13 | 試験条件 |
周囲温度:20±5℃ 相対湿度:65±5%RH 空気圧:86~106KPa |
|
マイクロスイッチの特徴と用途
マイクロスイッチの詳細
